Hole cutting tool
Modular knife (K interface)
Product Lines
Industries
Service & Support
Contact
Latest information updating....
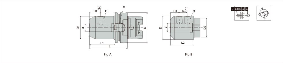
Weldon Adaptor

| Designation | d | D | D1 | D2 | L | L1 | L2 | L3 | H1 | H2 | Fig | G | E | Kg |
| HSK A50 EM16x80 | 16 | 50 | 48 | 41.5 | 80 | 105 | 54 | 37 | 24 | - | A | M16x1 | M14 | 0.96 |
| HSK A50 EM20x80 | 20 | 50 | 52 | 41.5 | 80 | 105 | 54 | 37 | 25 | - | A | M16x1 | M16 | 0.99 |
| HSK A63 EM16x80 | 16 | 63 | 48 | - | 80 | 112 | 54 | - | 24 | - | A | M18x1 | M14 | 1.2 |
| HSK A63 EM20x80 | 20 | 63 | 52 | - | 80 | 112 | 54 | - | 25 | - | A | M18x1 | M16 | 1.3 |
| HSK A63 EM25x110 | 25 | 63 | 65 | 52 | 110 | 142 | 84 | 66 | 24 | 25 | B | M18x1 | M18x2 | 2.24 |
| HSK A63 EM32x110 | 32 | 63 | 72 | 52 | 110 | 142 | 84 | 66 | 24 | 28 | B | M18x1 | M20x2 | 2.24 |
| HSK A100 EM16x100 | 16 | 100 | 48 | - | 100 | 150 | 71 | - | 24 | - | A | M24x1.5 | M14 | 2.82 |
| HSK A100 EM20x100 | 20 | 100 | 52 | - | 100 | 150 | 71 | - | 25 | - | A | M24x1.5 | M16 | 2.93 |
| HSK A100 EM25x100 | 25 | 100 | 65 | - | 100 | 150 | 71 | - | 24 | 25 | B | M24x1.5 | M18x2 | 3.5 |
| HSK A100 EM32x100 | 32 | 100 | 72 | - | 100 | 150 | 71 | - | 24 | 28 | B | M24x1.5 | M20x2 | 3.7 |
| HSK A100 EM40x110 | 40 | 100 | 85 | - | 110 | 160 | 81 | - | 30 | 32 | B | M24x1.5 | M20x2 | 4.52 |
●Inner coolant tube should be ordered separately.
2° Weldon Adaptor

| Designation | D | D1 | D2 | D | L | L1 | L2 | H1 | H2 | Fig | E | J | G | Kg |
| HSK A50 EM16x90E | 50 | 16 | - | 48 | 90 | 64 | - | 24 | - | A | M14 | M12 | M16x1 | 1.08 |
| HSK A50 EM20x100E | 50 | 20 | - | 52 | 100 | 74 | - | 25 | - | A | M16 | M16 | M16x1 | 1.3 |
| HSK A63 EM16x100E | 63 | 16 | - | 48 | 100 | 74 | - | 24 | - | A | M14 | M12 | M18x1 | 1.51 |
| HSK A63 EM20x100E | 63 | 20 | - | 52 | 100 | 74 | - | 25 | - | A | M16 | M16 | M18x1 | 1.65 |
| HSK A63 EM25x110E | 63 | 25 | 52 | 65 | 110 | 84 | 65.5 | 24 | 22 | B | M18x2 | M16 | M18x1 | 2.23 |
| HSK A63 EM32x110E | 63 | 32 | 52 | 72 | 110 | 84 | 65.5 | 24 | 24 | B | M20x2 | M20x2 | M18x1 | 2.43 |
| HSK A100 EM16x100E | 100 | 16 | - | 48 | 100 | 71 | - | 24 | - | A | M14 | M12 | M24x1.5 | 2.88 |
| HSK A100 EM20x110E | 100 | 20 | - | 52 | 110 | 81 | - | 25 | - | A | M16 | M16 | M24x1.5 | 3.1 |
| HSK A100 EM25x120E | 100 | 25 | - | 65 | 120 | 91 | - | 24 | 22 | B | M18x2 | M20x2 | M24x1.5 | 3.91 |
| HSK A100 EM32x120E | 100 | 32 | - | 72 | 120 | 91 | - | 24 | 24 | B | M20x2 | M20x2 | M24x1.5 | 4.32 |
●The center adjustable screw should be ordered separately,if needed, please click here.
●Inner coolant tube should ,please click here.
Latest information updating....
Latest information updating....
Latest information updating....
Address: No. 18 Lianzhu Rd. Huaxi Street Changxing Huzhou Zhejiang China
Tel: 0572-6635088
Fax: 0572-6032599
Postcode: 313100
简体中文
English